[HOME] ご意見ご感想となんか文句のある人も歓迎しますよ〜でも手加減してね〜  [投稿]

    @k641?   2006年5月23日(火) 16:00   
[修正]
ワイキキからお送りいたします。
世の中大変便利になりましたね。
現在午後9時気温28度〔たぶん〕
皆様お元気で〜


    omega13   2006年5月23日(火) 16:39    [修正]
この色↑は赤にブルーが入っている?
毎々情熱の赤の書き込みでしたが、色褪せしてますよ〜
お疲れ?でせうか!

帰って来るのかな〜
まあいいか、能天気オジサンは放ッときましょう!

    アロハ〜 ケイン   2006年5月23日(火) 21:48    [修正]
ぎっくり腰はOH出来ましたか?

まあどおでもええか・・・太陽の色は?

    @K641   2006年5月30日(火) 20:50     Mail [修正]
あろは〜・・・・
時差ボケも解けぬ間にサボったツケで、いきなり慣らしも無しに仕事モード全開状態・・抱き付き寸前でございましゅ〜・・・
当地では日本の運転免許証は世界最高水準の労力と金力の賜物との事で、日本の免許と当人の有効クレジットが有れば、レンタカーを貸して呉れます。勿論おまわりさん公認です。おまけに中免でだぐぃっとそんに乗れます。でっぷり小父さんと似た者ファットおかーちゃんの短パンノーヘルの二ケツの真紅のFLHや、総メッキの旧R100系が許されるのも・・当地ならではの事・・・真珠湾で何だか曰くつきのジープが有りました。何でしょうね?エーゴが読めませんでした・・・爆

    ケイン   2006年6月1日(木) 21:44    [修正]
おっ、MBですか!いわくつきってなんでしょうね?
(ちなみに私はMBとフォードGPWの区別が付きません)
軍用車両はシンプルで機能的で好きです。
どっかのミーティングで「軍用車両不可」ってのがあったような・・・
使い方だけですよねぇ
ラットパトロール、好きでした。(もろ戦争ドラマじゃん、自爆)

    YATA   2006年6月6日(火) 23:50    [修正]
ぱっと見で区別が付く人なんていないでしょう。
私も軍用車両とレーサーが同じ理由で大好きです。
で、
マチレスとグリーブス買っちゃいました。

    omega13   2006年6月7日(水) 12:29    [修正]
いよいよ東のAMCに対抗する西の岡山旧車会による、それともSMC西大寺ミーティングクラブ?西大寺二輪車博物館の開館ですな!
MGAもあるし・・・

    @K641   2006年6月8日(木) 17:39     Mail [修正]
AMC・・・・チョッチ遠い 西大寺M・・とっても魅力菩薩です。
<MBとフォードGPWの区別が付きません・・・
と言われれても・・わちきはグリルが10本スリットで・・ローノーズで・・ほんでもって ウイルス・・SVのやつ・・ここまでしか判りません。フォードもこんなん作っていたのですか?8本スリットでフードの片方ウイルス・反対側面にmitubisiって書いてある左ハンドルは見た事が有ります。
マチとグリーブスですか・・ユニオンジャック満艦飾ですね いいな〜
Ωさんのも目出度く回復したとの事・・よかったですね。次回は川口湖ですので鬼門は通りませんね?

    YATA   2006年6月17日(土) 21:30    [修正]
遅レスごめんなさい。
MBとGPWの見分け方は私も分からなかったので調べたのですが、
フレームの骨の数が一本違うのと、
パーツにフォードの方が刻印があると言うだけだそうです。
で、
マチレスとシルバーストーンは以前に買ったのであって、
今回ではありません。
書き方が悪くて誤解させてしまいました。
どちらも整備に出して長い間帰ってきませんが。

    ケイン   2006年6月19日(月) 20:43    [修正]
グリーブス シルバーストーンってどんなんですかね?
ヘッドのフィンが放射状になったオフ車しかイメージできません
同時代のマイコとか・・・

 キュートなカブ   pegasaru   2006年5月21日(日) 10:52   
[修正]
アシスタント様 お待たせいたしました

    pegasaru   2006年5月21日(日) 10:53    [修正]
横から見るとこんなです

    omega13   2006年5月22日(月) 9:41    [修正]
ありがとうございます。
キュートでセクシーです!
花とのツーショットが素敵です。

アシスタント?旦那のお子守屋より

代筆 omega13

    pegasaru   2006年5月22日(月) 19:02    [修正]
アシスタント様
次回?は約束通り「お姫様だっこ」で、お車までお送りいたします

omega13様
アシスタント様に文明の利器を!
文字打ちの練習用に自動応答するチャットでも設けましょうか?

    omega13   2006年5月23日(火) 11:32    [修正]
違うBBSに書いてしまいました。
指1本で足りる彼女のタイピングは珈琲5杯は必要です。
掛かる時間はレヤンさんに勝てると自慢しております、笑

 ミーテイング   @K641   2006年5月2日(火) 11:28     Mail
[修正]
あっちこっちからミーテイングの報告が届いてますね。マシンが全て車検切れです・・とほほ
昨日は初夏並の天気!たまらずバイエルン産のんを車検に出しましたが、工場は休みで、日直のみ。受付はしてくれましたが、連休明けで無いと作業が出来ないとの事・・くっそ〜・・・
W3は何年か振りに本格的な整備の上梅雨明け以降に受けるつもりです。
人の世話ばかりで全くメンテして無かったもので、ミッションのタッチ最悪。
息継ぎ等々・・良い火花・良い圧縮・良い混合気のおさらいです。

昨年納車した偽K2の白バイメーターが車検取った直後壊れたとの連絡が・・・丈夫な筈の白バイメーター・・修理可能かなぁ〜
大陸ぺったんAB氏にSOS、修理期間中レンタル可能と・・やれやれ

5/13・14日天気に成あれ・・・

    @K641   2006年5月7日(日) 12:17     Mail [修正]
pegasaruさん元気ですか?13日は出撃予定でしたね?
W1〜saまでのステアリングロックアッセン入手まだですか?
諸処当該プログでお世話に成ったので、裏工作の末本日ゲットしました。
宜しければプレゼントしますよ〜ん。

    pegasaru   2006年5月7日(日) 23:50    [修正]
@K641様
ありがとうございますです 未だに発見できずにおりました
「チャリ鍵アッセン」よろしくお願いいたします

 長野の御大のメグロも   ケイン   2006年3月30日(木) 21:51   
[修正]
コンロッド小端部の砲金が回るらしい・・・
どのエンジンもああなってる(砲金をかます)んですかね?

    omega13   2006年3月31日(金) 9:43    [修正]
内緒?にしてたのに・・・・
笑って下さい!、でもとっても楽しいですよ〜
よりやんさんにもご協力頂きましてありがとうございます。

着々と秘密裏?に進行中です。
パワーアップして来春?復活の予定です。

    @K641   2006年4月25日(火) 12:59     Mail [修正]
法事も無事終了。ぼちぼちカムバックと行きたいところです・・
え〜どっかに霊威蛇のエンジン有った様な記憶が・・・
知人宅に1,5台一台にびかびかにしたのが20数年前、10年前に書無しSGを分捕りに襲撃した際には、あ゛〜錆錆状態に・・まだ有るか?
脚出戸の今後の推移興味津々で御座います。
この前夜不奥でwの書類付きへなへなフレーム出てましたけどΩさんゲットしたかな〜・・・もうそろそろW1-RΩ号企画しては?あっさりS7改にW1E積むのもΩ流ならわけないか?

k2ライトリム・・難物ゲットしました・・腕の良い板金屋居ないかなぁ

K1-Pの部品取りゲットしました。。k2のランプ回り白バイ仕様に出来ますよ〜!

    omega13   2006年4月25日(火) 20:10    [修正]
ライトリムの画像を上げて下さい。
状況次第で考えます、ダメージはエッジ部でしょうね。
以前、ピカピカにした事ありますが疲れましたよ〜
ボコボコ虫食いライトリムを、板金、ロウ付けで虫食いを埋めた後、研磨、銅メッキです。
研磨、銅メッキ、研磨、銅メッキの繰返しで素地を作ってクロームメッキで仕上げました。
通関証明フレームはあります。
メグロのレーサーのエンジンを積む予定なのですが、まだエンジンがありません。
W1Eは直ぐにでも載るのですが・・・・・
ご当地ナンバーが10月スタートです、それまでには結論を出して登録しませんと・・・・・
日本3大ナンバーは、横浜、品川、松本と勝手に決めていますので。
脚出戸の後、お子守車をもう一台増やしてしまいましたので中々手が回りません。

    @K641   2006年5月2日(火) 11:33     Mail [修正]
霊威蛇のエンジンは健在ですが、小生の勘違い(バラして有ったのはSGでした)でちゃんと現車に搭載。
部品取りは無く、一台を丁寧に再生・・鳴き砂で有名な琴ケ浜付近の為に
赤霊威蛇に変身済み。オーナーがサジを投げるのを待つばかり・・・・

    @K641   2006年4月25日(火) 20:12     Mail
[修正]
Ω様お電話有り難う御座いました ブツです

    omega13   2006年4月25日(火) 21:09    [修正]
了解致しました。
では、岡山で!

    レヤン   2006年4月28日(金) 8:08    [修正]
久しぶりに覗くと(忘れてましたこのページ トホホ)楽しそうな話題が・・・。  こんな状態の鉄が元通りに、私は板金だけは素人が真似が出来ない、宇宙人がするものと思っていました?。
岡山 楽しみにしています。

    @K641   2006年4月29日(土) 9:13     Mail [修正]
Ωさんは有る意味宇宙人かも知れません。人には向き不向きが有りますが、Ω師匠は360度OKのマルティパーパスです・・地球人には無理です・・・
 さて、(_ _)zzZしてしまいました。
広島Q車会へ出発進行!(4つ輪ですm(_ _)m)

    omega13   2006年4月29日(土) 19:01    [修正]
そう言われると最近グレーに似てきた気がする!?

    ケイン   2006年4月29日(土) 21:43    [修正]
おぉ〜、ここに書き込みが・・・・見てませんでした
「Ωはんがもし失・・・」の意味がやっとわかりました
(わからんのにうなづいとったんか!自爆)
白バイメーターはちょっと・・・
50キロからレッドゾーンでもノーマルサイズのメーター希望

 明細書には   pegasaru   2006年3月11日(土) 20:04   
[修正]
バルブ修理、クラッチ修理、オイルホース交換、その他修理 となってます

オイルホース 2
ポイント 1
コンデンサー 1
ヘッドガスケット 1
ロッカーガスケット 3+2
オイルキャップガスケット 2
Fチェーンケースガスケット 1
キャブフロートOリング 2
アルミガスケット 8
ポイントシャフトオイルシール 1
8mmアルミガスケット 8
プラグ 2
ヘリサート 3
ロッカーOリング 2
フューエルホース 1
エンヂンオイル
クラッチオイル
ミッションオイル

以上のモノから何を行ったのか 推測してみてください(笑)

面白ネタ?は後日公開??(ホンマか???)

    KH   2006年3月12日(日) 21:38    [修正]
なんだかクツワムシKH号の修理女乳と似てますが
部品交換するより調整が多いWだからねぇ〜

    omega13   2006年3月16日(木) 15:13    [修正]
>面白ネタ?
皆にお披露目する前にもう壊れたとか・・・
シートはマジックテープで止めておくと対応が楽です!?
ケインさんに高速道路での路肩への停車の仕方をご教授頂いておきましょう。
大御所レヤンさんは手馴れたものです。
でも最近の写真を見ますとシートが付いてますね〜

    レヤン   2006年3月19日(日) 8:27    [修正]
オイルシール×4(バルブガイドのてっぺんの) が入っていない?
純正でも出ますが、対策以前のスプリングの入っていない物が出てきます。
日産がZU用を?・・・。

ん〜 写真が気に成る・・・ Wに何かのスプロケを流用?シムでライン調整?
あ シートって、ネジで付いていたの? 組長のんは、マジックテープ?
タンクとシート、あっというまに、取り外し、取り付けしていました。

路肩停止時は百均の点滅する自転車のライトを・・・。 懐中電気と携帯電話も???。 ケインさんは、しっかり 三角停止版?を持っていました。


 劇的 美ほぉ〜 あ蓋   pegasaru   2006年3月9日(木) 22:08   
[修正]
W1S 本日引き取りに行って参りました
初のナイトランです(笑)

いやぁ〜 別物の乗り物ですわ

おそらく今までのんは
パチモンかバッタモンかニセモンで
今日からのがホンマモンですな

全ての不満が解消されとりますです
時間はかかりましたが 満足のいく結果となりました

店主曰く
「今は調子いいけど
 しばらくしたらまた調整が必要
 Wはそういう乗り物だから」

なるほど・・・

    @K641   2006年3月10日(金) 20:04     Mail [修正]
まずはおめでとう御座います。不調になれば某秘密基地のやつからW1Eを奪取するのが手っ取り早いかと・・

    ケイン   2006年3月10日(金) 21:01    [修正]
よかったですね、
しか〜し、何がどうなってて、どこをどうしたのか?
それが知りたいです。

    レヤン   2006年3月11日(土) 0:55    [修正]
お披露目?の朝練? 飲み会? また集合を掛けて下さい、楽しみにしています。

    pegasaru   2006年3月11日(土) 5:47    [修正]
> 不調になれば某秘密基地のやつからW1Eを奪取するのが手っ取り早いかと・・

ですね!(笑) これで僕も「シート外し隊」の仲間入りですな


> しか〜し、何がどうなってて、どこをどうしたのか?
> それが知りたいです。

ソレは秘密です(爆)
玄人が言ってることを素人が聞いても理解できないことが多いのですよ
興味があれば浦安へ行って聞いてみてください
理解できていない内容でもよければ別スレ立てて書きますが?


> お披露目?の朝練?

とりあえず 車検を受けてからですな
入院させている間に満了していましたので・・・
ユーザー車検を申し込むために電話してみたら、
陸運局の番号が変わってました
予約の手順も若干変更があったようです
車台番号か登録番号 を用意しておかないと やや焦るのでした(笑)
岡山県の方 お気をつけあそばせ

今度はカブでなくダブルで一緒に走りたいですな(調子のイイうちに)

 祝、開塾!   omega13   2006年2月27日(月) 8:43   
[修正]
ここは@K641道場かな!
島根の有能な講師をお迎えしての河上塾のご開塾おめでとうございます。
では、お勉強も始めましょう?

    ケイン   2006年2月27日(月) 11:54    [修正]
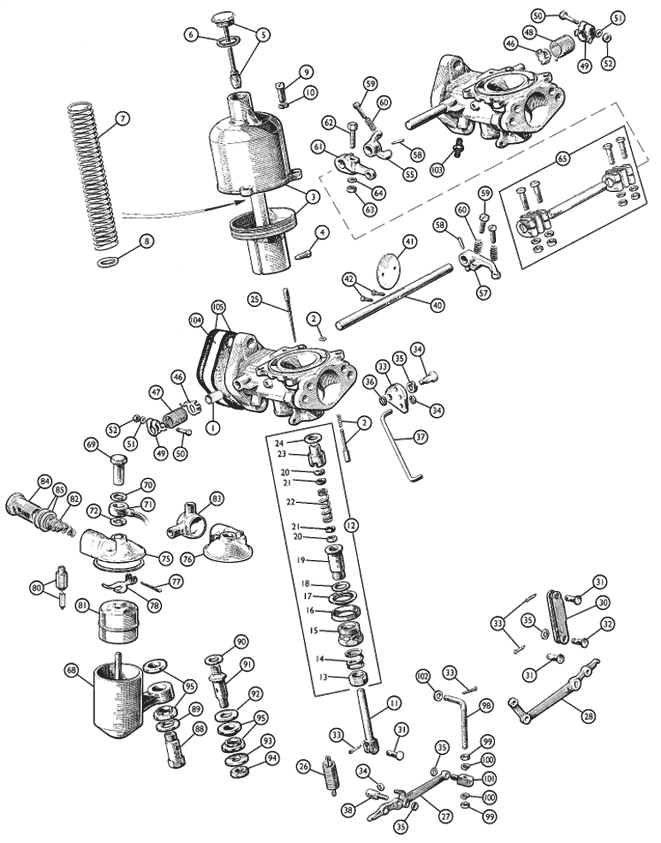
見たことあるキャブレターですな
わしのはミクニアマルですが、そっくりです。

    omega13   2006年2月27日(月) 14:46    [修正]
お手持ちはモノブロック376ですな。
車体のモノはコンセントリック600若しくは900?
いやMikuniのタイプとお見受け致します。
どのタイプも口径に関わらず取付ピッチは50.8mmですので流用は可能です。

    omega13   2006年2月27日(月) 14:48    [修正]
今遊んでいるのはこんなのです。

    omega13   2006年2月27日(月) 14:49    [修正]
フロートは安藤夏に成っています!
バームクーヘンにも良く似ています。

    KH   2006年2月27日(月) 22:51    [修正]
先日のアレについていたのモノですか??
構造的には株のと大差ないようですが

    omega13   2006年2月28日(火) 9:12    [修正]
KHさん、アレ・・・当りです。
私も20年ぶりくらいにこのタイプを見ました。

    @K641   2006年2月28日(火) 19:23     Mail [修正]
いや〜暫くご無沙汰している内に・・・
こんな立派はモノを・・感涙にむせいで居りますです・・・
392余る物ぶろっくカービレーターがわてのk2に取り付いて居ますが
調子最悪です・・w1sa方装着中なるも餌が足りず登坂能力減退中(k1から同種の物のようですが、白バイからの苦情で業を煮やしたカワサキが本家に先立って混戦トリックに交換した話は秘話としては有名な話)使用・調整のマニュアル(もち日本語)どっか有りませんか?それとケイン号k2用に余るタイプの細身のチョークレバー(複製品ok)予備いれて2ケキボンヌ!


    omega13   2006年2月28日(火) 20:52    [修正]
@K641さん、お身体大丈夫でしょうか!?、笑
コンセントリックMK1の600/900シリーズのキャブレターのパーツリストの10番のチョークバルブで良いのですか。
600シリーズ口径 22 24 26mm
900シリーズ口径 28 30 32mm
に合います。
確か 1@¥1,100−だったと思います。
物ブロックの型番も調べてみます。
物ブロックも確かガレージに10数個転がっているはず、探します。

パートナー向けにマニュアルは仏語ならOKですか。
英訳→仏訳して送りましょうか・・・・、笑

    ケイン   2006年2月28日(火) 20:53    [修正]
376は英国製の番号ですね
392は三国の語呂合わせです
英国製は畔柳さんとこで売ってました
http://page10.auctions.yahoo.co.jp/jp/auction/m19415659
チョークレバーはよくわかりません(気に留めていない)
@K641さん、あまこだわりありませんから・・・。

    omega13   2006年2月28日(火) 21:10    [修正]
AMAL モノブロック376シリーズ
口径 1 1/16インチ(27mm)ですね。
ク*ヤナギさんにはいつもお世話に成っていますが・・・・
このタイプはティクラーに左右の別はなく、すべて左側のみです。
私は、\24,500+αで別の所から入れています。
混戦トリックのティクラーは左右タイプがあります。
混戦トリックは¥16,500+αですね。
家負奥は止めナ晴れ!

    @K641   2006年2月28日(火) 21:11     Mail [修正]
このコーナーの書き込みはなんか秘密の部屋みたいでみょ〜にそそりますね〜 
あ゛〜それわしの変態がうつったんじゃ〜(偽ケイン)・・・・ρ(..;)
けつのは392の376-27と有ります・・コーケーは多分27mmでは?
MJ=♯290 nj=Q-4 TN=9j1-3 pj=#20 CA=2.5 のスペックです・
ケイン号のCA=スロットルバルブは割れていたので余るが合えば再生可能? この手のカービレーターのフロートの油面はちょーせい不可能ですか?
オーバーフローしっぱなしですが・・・

    @K641   2006年2月28日(火) 21:19     Mail [修正]
Ω様かち合ってしまいましたね。チョークバルブではなくハンドルバーにつく耕運機のスロットルみたいなんです・・ケインけつにはw1saの草刈機のんがついてます。  調整しても尚不調の際でカービレーターキボンヌの際は脇目も振らずΩ様にピヨピヨ致しまする・・・

    omega13   2006年2月28日(火) 21:19    [修正]
物ブロックの10番で良いの!!
これならイッパイ有りますから送りましょうか。
チョークバルブで良いんですよね。
割れているのはスロットルバルブ、確か口径問わず同じだったはず?!
こちらなら念のためスロットルバルブの径を教えてくだされ。
多分ガレージに転がっていると思いますから。

    omega13   2006年2月28日(火) 21:24    [修正]
チョークレバーですか!?
左右タイプがありますが!

まるでチャットのようですな、笑
スカパーにしましょうか。

    omega13   2006年3月1日(水) 12:10    [修正]
@k641さま
>カービレーターのフロートの油面はちょーせい不可能ですか?
このタイプもフロートが2種類あります。
プラスチック製(左)と真鍮製(右)です。
プラスチックのフロートは油面調整は出来ません。
真鍮製は最近のタイプと一緒でフロートバルブの当面のフロートに半田付されているプレートで可能です。

現行がプラスチックフロートであったなら真鍮製のフロート2ケ外して送りますよ。
必要でしたら言ってくだされ、ガレージのオブジェに成っていますから。
フロートバルブの磨耗でしたら取り寄せます。
英国からですからチョッとお時間が掛かりますが・・・

OHするときに余裕があれば送ってくだされ。
超音波洗浄を掛けてお戻し致しますから。

    @K641   2006年3月6日(月) 20:53     Mail [修正]
直メール発射しましたが、念の為
素敵なチョークレバーが届きました。黙っていれば純正と・・特にケインさんには・・・有り難う御座いました。。

    YATA   2006年3月8日(水) 23:54    [修正]
私が遊んでいたのはこれです。

    @K641   2006年3月9日(木) 21:24     Mail [修正]
YATAさんいらっしゃーい!! 此処に乗っけて於くとエーシャにすこぶる強いΩさんから何か届くかもですよ〜・・・
 わたしゃケインk2のライトリム探してます・・sgのツバつきでも可・・
ピヨピヨ

 それでは皆様 しっかりと突っ込んでやってください   pegasaru   2006年2月26日(日) 21:39   
[修正]
@K641さん がんばって返信してやってくださいませ(笑)

    ケイン   2006年2月26日(日) 23:06    [修正]
ご苦労様でした
では早速・・・どれどれ

    ケイン   2006年2月26日(日) 23:15    [修正]
レスが付くと上に来るのが良いですな〜
結構画像が重いけどOKみたいだしね

    @K641   2006年3月6日(月) 22:24     Mail [修正]
画像張ってみました。別の青タンW1Sの完成試乗の際に、レプリカのS/Pメーターギアのガイドの芯が合って居なかった為(それしか考えられない!)にギアのシャフトが焼き付きさらに走行動力が・・・
この為にカバー側のジャーナルがとほほの図です・・

    omega13   2006年3月7日(火) 12:21    [修正]
Kのミッションに見えますが・・・・

    ケイン   2006年3月7日(火) 19:56    [修正]
ミッションカバーはあけたことが無いので良くわかりませんが
カニがいませんね(?)

 浦島太郎?   レヤン   2006年3月2日(木) 1:17   
[修正]
4日間仕事の間に、こんな空間が・・・。
玉手箱を開けたら、もっと白く成るので開けません?。
私はまだBBSに画像を入れた事が有りません、画像の大きさは勝手に?調整してくれるの? それが不安で、BBSに画像を送れません?

で、きゃぶのお話には、酔っぱらっていて?、全く見えていません。
また、明日このページを開いて、えぇ こんなん書き込んだん?の私です。
ヘッドの組み付けは、今我慢しています。明日行います。(この辺はシッカリしています?)

    @K641   2006年3月2日(木) 1:34     Mail [修正]
はっは〜 真鍮の浮き子です。 チョークレバーは右側に付きます。
画像拝見致しました。メグロ用はもっと華奢な感じですが、裏のuバンドは帯状鉄製? でもw用特にSA用のんとは異なりかっちよえ〜ではあ〜りませんか お幾ら? キボンヌ ボールエンドのヤツ!!
・・・・むむむ  レアンさんに行ってしまいました・・Ωさん行きですねん・・・わたすも酔って枡

    omega13   2006年3月2日(木) 9:37    [修正]
とっても大きな画像は拒否されました。
適当にサイズ落としてます。
詳細はpegasaruさんに聞いてください。

右側チョークレバーボールエンドタイプ、了解です。
馬簾他印day?、穂輪糸day?、ばーすday、祝!半世紀、オマケで?ご伴侶ゲット記念に発射致しました。

AMAL純正レバーは製造中止で入手不可ですので英国製のレプリカです。
C@さんにも左右送りました。
余った左はキャディットに付けましょう。
今週末、復活の予定!?

    ケイン@仕事中   2006年3月2日(木) 17:34    [修正]
下のpegasaruくんのW1Sの画像は147キロバイトありますんで150キロまではとりあえずOKでしょう

昨日倉庫によってエンジンをかけようとしたら左の火が飛びません。
ポイントからのリード線を左右入れ替えてもがだめだったのでコイルかプラグコードが怪しい?
もっともギボシ部分をきちんと差し込み直したらあっさりかかるかもね〜
次日曜(わたすの誕生日)も仕事で時間がありません。
P1 P2 P3 P4 P5 P6 P7 P8 P9 P10 P11 P12 P13 P14 P15 P16 P17 P18 P19 P20 P21 P22 P23
全 1796件  [管理]
CGI-design